|
 |
|
|
|
|
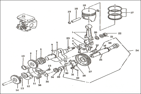
| 1. ũũ̽ Ǹ |
 |
| |
ǰ |
ǰ |
|
|
| 1 |
224 10102 01 |
ũũ ̽ ϰ |
1 |
2-11 |
| 2 |
010 51002 80 |
͵ |
4 |
|
| 3 |
010 51002 70 |
͵ |
3 |
|
| 4 |
010 51000 60 1K |
͵ |
1 |
|
| 5 |
010 50602 00 |
͵ |
2 |
|
| 6 |
224 14201 03 |
̵ |
2 |
|
| 7 |
010 50802 90 |
͵ |
2 |
|
| 8 |
044 03500 90 |
Ͻ |
1 |
|
| 9 |
005 26081 80 |
ٿ |
2 |
|
| 10 |
060 03500 10 |
|
1 |
6207C3 |
| 11 |
060 02500 10 |
|
1 |
6207C3 |
| 12 |
223 10911 01 |
κ īٿϰ |
1 |
14-16 |
| 13 |
224 10911 01 |
(κ ī) |
1 |
|
| 14 |
060 03500 10 |
ú |
1 |
6207C3 |
| 15 |
060 03500 10 |
ú |
1 |
6207C3 |
| 16 |
044 03000 60 |
Ͻ |
1 |
|
| 17 |
224 63601 03 |
ϰ |
2 |
|
| 18 |
021 32000 10 |
(ϰ) |
2 |
|
| 19 |
001 14083 50 |
Ʈͼ ü |
8 |
|
| 20 |
001 65061 20 |
Ʈ |
1 |
|
| 21 |
003 70060 00 |
˷̴ |
1 |
|
| 22 |
040 11400 30 |
巹 ÷ |
2 |
|
| 23 |
021 11400 90 |
(巹 ÷) |
3 |
|
| 24 |
040 11400 40 |
巹 ÷ |
1 |
|
| 25 |
214 75001 03 |
θƮ |
1 |
|
| 26 |
224 13301 03 |
() |
1 |
|
| 27 |
224 15101 03 |
Ǹ |
1 |
|
| 28 |
002 37100 00 |
÷ Ʈ |
8 |
|
| 29 |
065 01401 90 |
ũ ÷ |
1 |
BP 4HS |
| 30 |
224 14301 11 |
Ʈī ϰ |
1 |
|
| 31 |
224 15301 03 |
1(ŸƮ ī) |
1 |
|
| 32 |
224 14401 01 |
긮÷Ʈ ϰ |
1 |
|
| 33 |
224 15401 03 |
2(ŸƮ ī) |
1 |
|
| 34 |
011 00300 30 |
÷ Ʈ |
2 |
|
| 35 |
224 35101 03 |
|
1 |
|
| 36 |
017 00800 30 |
Ʈ |
2 |
|
| 37 |
208 36003 03 |
2(ü) |
1 |
|
| 38 |
224 32901 03 |
ü |
1 |
|
| 39 |
224 35202 03 |
(ü) |
1 |
for DGO/S |
| 40 |
003 10060 00 |
ͼ |
2 |
|
| 41 |
003 20060 00 |
ͼ |
2 |
for DGO/S |
| 42 |
002 28060 00 |
Ʈ |
2 |
|
| 43 |
208 24101 13 |
߶ |
1 |
|
|
|
 |
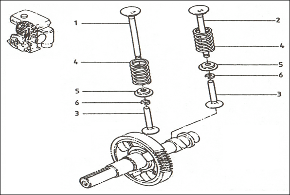
| 2. ũũ, ķ ǽ |
 |
| |
ǰ |
ǰ |
|
|
| 1 |
224 22501 10 |
ܳ ε ü |
1 |
2-4 |
| 2 |
217 23001 03 |
ܳ÷κ Ʈ |
2 |
|
| 3 |
224 23201 03 |
εũ ͼ |
1 |
|
| 4 |
224 23102 03 |
ũ |
1 |
|
| 5 |
224 20101 01 |
ũũ ϰ |
1 |
6-9 |
| 6 |
224 22301 13 |
ũũ |
1 |
|
| 7 |
224 25102 03 |
|
1 |
|
| 8 |
224 24202 03 |
߶ 2 |
1 |
|
| 9 |
005 32044 01 |
ݴŰ |
1 |
|
| 10 |
023 03500 10 |
(û) |
1 |
t=10.5 |
| 10 |
023 03500 60 |
(û) |
1 |
t=1.2 |
| 10 |
023 03500 70 |
(û) |
1 |
|
| 11 |
224 14502 03 |
߶ Ȧ |
1 |
|
| 12 |
224 24301 01 |
߶ ϰ |
1 |
13-14 |
| 13 |
061 01500 10 |
ϵ |
2 |
|
| 14 |
224 24201 03 |
߶ 1 |
1 |
|
| 15 |
001 13083 00 |
Ʈ ͼ ü |
4 |
|
| 16 |
224 23401 13 |
ǽ |
1 |
|
| 17 |
223 23501 07 |
ǽ V |
1 |
|
| 18 |
224 23301 03 |
ǽ |
1 |
|
| 19 |
058 52200 11 |
Ŭ |
2 |
|
| 20 |
003 10180 00 |
ͼ |
1 |
|
| 21 |
003 20180 00 |
ͼ |
1 |
|
| 22 |
002 18180 00 |
Ʈ |
1 |
|
| 23 |
005 32044 01 |
ݴŰ |
1 |
|
| 24 |
224 31601 11 |
ķ ϰ |
1 |
25-32 |
| 25 |
224 31601 13 |
ķ |
1 |
|
| 26 |
005 32044 01 |
ݴŰ |
1 |
|
| 27 |
224 33201 11 |
ķ ϰ |
1 |
28-32/td>
|
| 28 |
224 41701 03 |
ٳ ÷Ʈ |
1 |
|
| 29 |
030 94000 61 |
ũ |
1 |
|
| 30 |
005 71401 61 |
Ʈ |
2 |
|
| 31 |
224 41601 03 |
ö Ʈ |
24 |
|
| 32 |
030 73000 10 |
|
3 |
|
| 33 |
224 41902 03 |
ٳ |
1 |
|
| 34 |
224 35501 03 |
(û) |
1 |
t=27.1 |
| 34 |
224 35502 03 |
(û) |
1 |
t=27.3 |
| 34 |
224 35503 03 |
(û) |
1 |
t=27.5 |
| 35 |
020 00800 20 |
ûͼ |
1 |
|
| 36 |
001 13082 00 |
Ʈͼ ü |
1 |
|
| 37 |
032 00700 10 |
ûŰ(7x7x40L) |
1 |
|
|
|
 |
| 3. , |
 |
| |
ǰ |
ǰ |
|
|
| 1 |
224 33401 03 |
|
1 |
|
| 2 |
224 33501 03 |
|
1 |
|
| 3 |
224 33301 03 |
ŸƮ |
2 |
|
| 4 |
208 33601 13 |
꽺 |
2 |
|
| 5 |
208 33701 03 |
̳ |
2 |
|
| 6 |
217 33801 03 |
̳ʷũ |
2 |
|
|
|
 |
| 4. ӱ |
 |
| |
ǰ |
ǰ |
|
|
| 1 |
224 42301 01 |
ٳ |
1 |
|
| 2 |
001 14062 50 |
Ʈ |
1 |
S/W+P/W |
| 3 |
018 60600 20 |
Ʈ |
1 |
|
| 4 |
214 42701 03 |
ٳε |
1 |
|
| 5 |
214 42802 03 |
ε彺 |
1 |
|
| 6 |
021 70800 10 |
ͻ |
1 |
|
| 7 |
224 43303 01 |
ǵƮ |
1 |
|
| 8 |
001 65064 00 |
Ʈ |
1 |
|
| 9 |
002 27060 00 |
Ʈ |
1 |
|
| 10 |
001 70040 80 |
Ʈ |
1 |
7 |
| 11 |
020 00800 20 |
ǿͻ |
1 |
|
| 12 |
207 43305 13 |
|
1 |
|
| 13 |
003 10080 00 |
ͻ |
1 |
|
| 14 |
017 90800 12 |
Ʈ |
1 |
|
| 15 |
056 50400 10 |
Ŭ |
1 |
|
| 16 |
224 42501 03 |
ٳ |
1 |
|
| 17 |
004 35040 80 |
ũͻ |
1 |
|
|
207 46001 03 |
|
1 |
7 |
| 18 |
224 42102 03 |
ٳũ |
1 |
DE400BG |
| 18 |
224 42101 03 |
ٳũ |
1 |
|
| 19 |
224 42201 03 |
ٳĵ |
1 |
|
|
|
 |
| 4-1. ӱ |
 |
| |
ǰ |
ǰ |
|
|
| 1 |
207 42301 02 |
ٳ ü |
1 |
|
| 2 |
002 17060 00 |
Ʈ |
1 |
|
| 3 |
003 10060 00 |
ͼ |
1 |
|
| 4 |
206 42201 03 |
ٳ |
1 |
|
| 5 |
003 13060 00 |
ũ |
1 |
|
| 6 |
207 42102 13 |
ٿũ |
1 |
|
| 7 |
004 31040 80 |
ũ |
2 |
|
| 8 |
207 42701 03 |
ٳε |
1 |
|
| 9 |
206 42802 03 |
ε彺 |
1 |
|
| 10 |
207 42505 03 |
ٽ |
1 |
|
| 11 |
213 48320 02 |
Ʋ̾ |
1 |
|
| 12 |
207 48510 01 |
ǵ Ʈ |
1 |
|
| 13 |
205 46008 03 |
ǹ Ʈ |
1 |
|
| 14 |
213 48210 03 |
|
1 |
|
| 15 |
001 65064 00 |
Ʈ |
1 |
|
| 16 |
002 27060 00 |
Ʈ |
1 |
|
| 17 |
001 70040 80 |
Ʈ |
1 |
|
|
|
 |
| 5. οϿ¡ |
 |
| |
ǰ |
ǰ |
|
|
| 1 |
224 51106 02 |
οϿ¡ |
1 |
|
| 2 |
224 52602 11 |
ī |
1 |
|
| 3 |
223 52701 01 |
Ǹ |
1 |
|
| 4 |
011 00600 10 |
÷ Ʈ |
5 |
|
| 5 |
224 30131 01 |
|
1 |
|
| 6 |
224 35031 03 |
|
1 |
|
| 7 |
224 34232 12 |
īٿϰ |
1 |
|
| 8 |
011 00600 10 |
÷ Ʈ |
4 |
|
| 9 |
001 11081 60 |
Ʈ ͼü |
2 |
|
| 10 |
224 34241 02 |
ī() |
1 |
|
| 11 |
001 11061 20 |
Ʈ ͼ ü |
2 |
|
| 12 |
001 65061 20 |
Ʈ |
1 |
|
| 13 |
011 00600 50 |
÷ Ʈ |
1 |
|
| 14 |
002 38100 00 |
÷ Ʈ |
5 |
|
| 15 |
073 30010 10 |
() |
1 |
|
| 16 |
073 00001 03 |
() |
1 |
|
| 17 |
073 30003 00 |
(ĸ) |
1 |
|
| 18 |
226 75101 03 |
|
1 |
|
|
|
 |
| 6. ũ |
 |
| |
ǰ |
ǰ |
|
|
| 1 |
208 60101 01 |
ũ |
1 |
|
| 1 |
208 60101 02 |
ũ ϰ |
1 |
|
| 1 |
224 60101 01 |
ũ |
1 |
|
| 1 |
224 60101 02 |
ũ ϰ |
1 |
|
| 2 |
208 60701 02 |
|
1 |
14,15 |
| 3 |
043 04301 24 |
ũ ĸ ϰ |
1 |
|
| 4 |
064 13600 10 |
|
1 |
|
| 5 |
064 20200 00 |
Ʈ̳ ϰ |
1 |
|
| 7 |
224 61601 03 |
Ʈ |
1 |
|
| 8 |
003 20080 00 |
ͼ |
4 |
|
| 9 |
002 17080 00 |
Ʈ |
4 |
|
| 10 |
002 38100 00 |
÷ Ʈ |
4 |
|
| 11 |
085 00048 00 |
ȣ |
1 |
|
| 11 |
085 00058 00 |
ȣ(5x8x70) |
1 |
|
| 12 |
056 10800 10 |
ȣŬ |
2 |
8 |
| 13 |
03 60003 10 |
() |
1 |
|
| 14 |
021 31051 50 |
̷ ͼ |
2 |
|
| 15 |
004 31051 50 |
ũ ϰ |
2 |
|
|
|
 |
| 7. ȭ, ũ(ǽ) |
 |
| |
ǰ |
ǰ |
|
|
| 1 |
224 35202 03 |
νŸ |
1 |
|
| 2 |
224 32901 03 |
νŸ-9T |
1 |
|
| 3 |
208 36003 03 |
(ļ극Ÿ) |
1 |
|
| 4 |
224 62301 00 |
ļ극Ÿ |
1 |
DE400 |
|
074 00009 00 |
|
1 |
4 |
| 5 |
003 10060 00 |
ͻ |
2 |
|
| 6 |
003 20060 00 |
ͻ |
2 |
|
| 7 |
002 27060 00 |
Ʈ |
2 |
|
| 8 |
223 36003 03 |
(ũ) |
4 |
|
| 9 |
224 32620 12 |
ũ,̽ |
1 |
|
| 10 |
024 10200 10 |
θƮ |
1 |
|
| 11 |
206 43901 01 |
ũ |
1 |
|
| 12 |
011 00600 20 |
ķƮ |
2 |
6x12 |
| 13 |
207 32607 08 |
ƮCP |
1 |
|
| 14 |
223 32602 02 |
ī,ũ |
1 |
|
| 15 |
074 00004 03 |
() |
1 |
14 |
| 16 |
224 32601 10 |
ũASS'Y |
1 |
9-11,13-15 |
|
|
 |
| 7-1. ȭ |
 |
| |
ǰ |
ǰ |
|
|
| 1 |
213 62327 00 |
ȭ ü |
1 |
2-26 |
| 2 |
213 62441 08 |
|
1 |
|
| 3 |
209 62302 08 |
ϵ |
1 |
|
| 4 |
209 62312 08 |
ͼ |
1 |
|
| 5 |
209 62310 08 |
ŷ |
1 |
|
| 6 |
209 62505 08 |
÷οƮ |
1 |
|
| 7 |
207 62515 08 |
|
1 |
|
| 8 |
209 62350 08 |
÷οƮ è |
1 |
|
| 9 |
209 62311 08 |
νƮ ͼ |
1 |
|
| 10 |
207 62400 08 |
Ʈ |
1 |
102.5 |
| 11 |
209 62425 08 |
Ʈ Ȧ |
1 |
|
| 12 |
207 62530 08 |
Ʈ ü |
1 |
|
| 13 |
213 62353 08 |
Ʋ |
1 |
|
| 14 |
209 62351 08 |
ũ |
4 |
|
| 15 |
207 62520 08 |
Ʈ ü |
1 |
|
| 16 |
213 62525 08 |
ũ |
1 |
|
| 17 |
209 62354 08 |
ũ |
1 |
|
| 18 |
209 62305 08 |
̷Ʈ ũ |
1 |
|
| 19 |
209 62445 08 |
|
2 |
|
| 20 |
209 62352 08 |
ũ |
1 |
|
| 21 |
214 62420 08 |
̷Ʈ ũ |
1 |
#40 |
| 22 |
064 20109 60 |
Ʈ |
1 |
|
| 23 |
064 20110 60 |
ŷ |
2 |
|
| 24 |
052 10600 20 |
|
1 |
|
| 25 |
209 62353 08 |
ƿ |
1 |
|
| 26 |
209 62446 08 |
|
1 |
|
| 27 |
085 31145 00 |
ȣ |
1 |
|
| 28 |
056 10800 10 |
Ŭ |
2 |
|
|
|
 |
| 7-2. ũ() |
 |
| |
ǰ |
ǰ |
|
|
| 1 |
214 36003 03 |
-ũ |
1 |
|
| 2 |
213 32941 03 |
|
1 |
|
| 3 |
003 20060 00 |
ͼ |
2 |
|
| 4 |
001 65064 50 |
Ʈ |
2 |
|
| 5 |
009 35045 01 |
Ŭ |
3 |
|
| 6 |
213 32932 13 |
ȣ |
1 |
|
| 7 |
213 32833 02 |
-ũ |
1 |
|
| 8 |
213 32829 03 |
-ũ |
1 |
|
| 9 |
|
ũ |
1 |
|
| 9-1 |
|
ĸ-ũ |
1 |
|
| 9-2 |
|
Ŭ-ũ |
1 |
|
| 9-3 |
|
ü-ũ |
1 |
|
| 9-4 |
|
2 Ʈ |
1 |
|
| 9-5 |
|
1 Ʈ |
1 |
|
| 9-6 |
|
ŷ |
1 |
|
| 9-7 |
|
̵-Ʈ |
1 |
|
| 9-8 |
|
|
1 |
|
| 9-9 |
|
- |
1 |
|
|
|
 |
| 8. ׳ |
 |
| |
ǰ |
ǰ |
|
|
| 1 |
224 70122 18 |
ö |
1 |
KTR,-BS |
| 1 |
224 70122 08 |
ö |
1 |
B |
| 2 |
224 70135 08 |
̴ |
1 |
|
| 3 |
004 35062 50 |
ũ |
2 |
|
| 4 |
224 70150 08 |
|
1 |
|
| 5 |
004 35041 20 |
ũ |
2 |
|
| 6 |
205 78201 01 |
Ŭ |
1 |
|
| 7 |
024 10900 50 |
θƮ |
1 |
|
| 8 |
224 70140 08 |
|
1 |
û |
| 9 |
004 35062 50 |
ũ |
2 |
û |
| 10 |
224 77002 01 |
Ŭ |
1 |
|
| 11 |
011 00600 20 |
ķƮ |
1 |
|
| 12 |
224 72203 21 |
ȭ |
1 |
|
| 14 |
065 50000 70 |
ȭ÷ĸ |
1 |
|
| 15 |
224 72250 01 |
KTRϰ |
1 |
|
| 16 |
226 75101 03 |
Ŭ |
1 |
|
| 17 |
004 35062 00 |
ũͻ |
2 |
|
| 18 |
224 71001 03 |
|
1 |
B |
| 19 |
065 50001 00 |
÷̳ |
1 |
|
| 23 |
095 00000 30 |
̾ |
1 |
û |
|
|
 |
| 8-1. ö ׳ |
 |
| |
ǰ |
ǰ |
|
|
| 1 |
213 70160 00 |
׳ ü |
1 |
|
| 2 |
213 70158 18 |
ö |
1 |
|
| 3 |
207 70135 08 |
|
1 |
|
| 4 |
214 70150 08 |
|
1 |
|
| 5 |
213 71201 08 |
̱״ϼ |
1 |
|
| 6 |
213 70143 08 |
|
1 |
|
| 7 |
004 32062 50 |
ũ |
6 |
|
| 8 |
003 20060 00 |
ͻ |
6 |
|
| 9 |
004 31041 40 |
ũ |
2 |
|
| 10 |
003 20040 00 |
ͻ |
2 |
|
| 11 |
024 10800 70 |
θƮ |
1 |
|
| 12 |
024 10200 20A |
θƮ |
2 |
|
| 13 |
056 61000 21 |
Ŭ |
1 |
|
| 14 |
214 98240 02 |
Ʈ(̱״ϼ ) |
1 |
|
| 15 |
001 65081 60 |
Ʈ |
2 |
|
| 16 |
003 20080 00 |
ͻ |
1 |
|
|
|
 |
| 9. ϽŸ |
 |
| |
ǰ |
ǰ |
|
|
| 1 |
224 50102 10 |
ϽŸ ü |
1 |
2-11 |
| 2 |
113 50116 08 |
Ŀ |
1 |
|
| 3 |
224 50111 00 |
Ʈ |
1 |
|
| 4 |
207 50111 08 |
|
1 |
|
| 5 |
206 50101 08 |
ڵ |
1 |
|
| 6 |
224 50125 08 |
Ʈ |
2 |
|
| 7 |
224 50130 08 |
|
1 |
|
| 8 |
224 50135 08 |
Ͻ |
1 |
|
| 9 |
224 50170 08 |
|
1 |
|
| 10 |
214 50179 03 |
Ʈͻ |
1 |
|
| 11 |
056 50600 10 |
Ŭ |
1 |
|
| 12 |
224 50145 08 |
ŸǮ |
1 |
|
| 13 |
001 65081 20 |
Ʈ |
3 |
|
| 14 |
011 00600 10 |
÷Ʈ |
4 |
|
| 15 |
073 00002 03 |
( ) |
1 |
|
|
|
 |
| 10. ŸøŸ |
 |
| |
ǰ |
ǰ |
|
|
| 1 |
224 70910 22 |
ŰڽƮ |
1 |
|
| 1 |
224 70910 00 |
Űڽü |
1 |
1-15 |
| 2 |
224 70920 13 |
Ʈ1 |
1 |
|
| 3 |
224 70930 03 |
Ʈ2 |
1 |
|
| 4 |
011 00600 20 |
ķƮ |
3 |
|
| 5 |
066 00001 40G |
Űġ |
1 |
|
| 6 |
207 77001 10 |
׳Ʈġ |
1 |
|
| 7 |
001 10061 40 |
ͻƮ |
2 |
|
| 8 |
003 20060 00 |
ͻ |
3 |
|
| 9 |
002 17060 00 |
Ʈ |
4 |
|
| 10 |
213 71402 01 |
̿ |
1 |
|
| 11 |
011 00600 50 |
ķƮ |
1 |
|
| 12 |
213 70110 03 |
嵥̺ |
1 |
|
| 13 |
001 10081 60 |
Ʈ |
2 |
|
| 14 |
095 00000 50 |
̾ |
1 |
|
| 15 |
011 00600 10 |
ķƮ |
1 |
|
| 16 |
207 70801 20 |
ŸøŸ |
1 |
|
| 17 |
214 79001 01 |
Ʈ |
2 |
|
|
|
 |
| 11. õǰ |
 |
| |
ǰ |
ǰ |
|
|
| 1 |
214 70501 10 |
Ÿ Ÿ |
1 |
DC12V, 0.6KW |
| 2 |
214 79001 01 |
Ʈ |
2 |
|
| 3 |
207 77001 10 |
׳ƽ ġ |
1 |
12V |
| 4 |
066 00001 40F |
Űġ |
1 |
12V |
| 5 |
207 75200 11 |
ԷŸ |
1 |
|
| 6 |
207 75201 23 |
̾ ü(1) |
1 |
|
| 7 |
207 75208 03 |
̾ ü(2) |
1 |
|
|
|
 |