|
 |
| ¡¡ |
|
|
| ¡¡ |
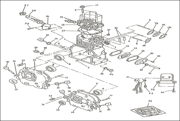
| 1. Å©·©Å© ÄÉÀ̽º ¹× ½Ç¸°´õ |
 |
| ¼ø À§ |
ǰ ¹ø |
ǰ ¸í |
¼ö ·® |
ºñ °í |
| 1 |
205 10201 01 |
Å©·©Å© ÄÉÀ̽º Á¶¸³Ã¼ |
1 |
incl :2-8 for DG |
| 1 |
205 10202 01 |
Å©·©Å© ÄÉÀ̽º Á¶¸³Ã¼ |
1 |
incl :2-8 for DG |
| 2 |
031 00600 20 |
¸ÂÃã ÇÉ |
2 |
¡¡ |
| 3 |
001 32084 60 |
½ÉÀ½ º¼Æ® |
4 |
¡¡ |
| 4 |
010 32086 70 |
½ÉÀ½ º¼Æ® |
4 |
¡¡ |
| 5 |
010 50600 50 |
½ÉÀ½ º¼Æ® |
2 |
¡¡ |
| 6 |
001 32062 80 |
½ÉÀ½ º¼Æ® |
2 |
¡¡ |
| 7 |
044 02200 20 |
¿ÀÀÏ ½Ç |
1 |
¡¡ |
| 8 |
030 02200 10 |
º£¾î¸µ |
2 |
62/22 C3 |
| 9 |
205 16001 03 |
°¡½ºÄÏ |
1 |
¡¡ |
| 10 |
205 11001 11 |
¸ÞÀκ£¾î¸µ µ¤°ÔÁ¶¸³Ã¼ |
1 |
incl:11-12 for DG |
| 11 |
¡¡ |
Á¶¼Ó±â ±â¾îÃà |
1 |
¡¡ |
| 12 |
044 02200 10 |
¿ÀÀÏ½Ç |
1 |
TB¥Õ22X¥Õ41.25X7B |
| 13 |
001 15062 80 |
ºÒÆ® |
7 |
¡¡ |
| 14 |
205 15001 11 |
°¡½ºÄÏ |
1 |
¡¡ |
| 15 |
205 13001 13 |
½Ç¸°´õÇìµå |
1 |
¡¡ |
| 16 |
065 01400 31 |
Á¡ÈÇ÷¯±× |
1 |
for S.T.D |
| 17 |
002 37080 00 |
Ç÷»Áö ³ÊÆ® |
8 |
¡¡ |
| 18 |
205 16007 03 |
°¡½ºÄÏ |
2 |
¡¡ |
| 19 |
205 14301 31 |
ºê¸®´õ ÆÇ¿Ï°á |
1 |
¡¡ |
| 20 |
205 14402 12 |
ŸÆêÆ® µ¤°Ô |
1 |
¡¡ |
| 21 |
085 10810 10 |
ºê¸®´õ È£½º |
1 |
¡¡ |
| 22 |
056 11201 30 |
Ŭ·¥ÇÁ |
1 |
¡¡ |
| 23 |
001 65061 60 |
º¼Æ® |
2 |
¡¡ |
| 24 |
205 36013 03 |
°¡½ºÄÏ |
2 |
¡¡ |
| 25 |
205 32902 03 |
´Ü¿ÆÇ |
1 |
¡¡ |
| 26 |
¡¡ |
°¡½ºÄÏ |
1 |
¡¡ |
| 27 |
214 75001 03 |
±×·Î¸ÞÆ® |
1 |
¡¡ |
| 28 |
¡¡ |
°¡½ºÄÏ |
2 |
¡¡ |
| 29 |
040 11400 40 |
¸¶°³ |
1 |
ÀÚ¼®Çü |
| 30 |
040 11400 30 |
¸¶°³ |
1 |
¡¡ |
| 31 |
021 32000 10 |
°¡½ºÄÏ |
2 |
¡¡ |
| 32 |
205 63601 11 |
°ËÀ¯ºÀ ¿Ï°á |
2 |
¡¡ |
| 33 |
205 99001 07 |
¿£Áø °¡½ºÄÏ ™VÆ® |
1 |
incl:consisting of |
| 34 |
205 14202 14 |
¹ëºê °¡À̵å |
2 |
¡¡ |
| 35 |
205 76010 00 |
¿ÀÀÏ ³ôÀÌ °¨Áö±âÁ¶¸³Ã¼ |
1 |
forDGO/Sincl:35-38 |
| 36 |
004 35061 60 |
º¼Æ® |
2 |
for DGO/S |
| 37 |
002 37100 00 |
Ç÷»Áö º¼Æ® |
1 |
for DGO/S |
| 38 |
006 26201 50 |
O-¸µ |
1 |
for DGO/S |
| 39 |
205 75201 02 |
ºê¶ó±RÆ® |
1 |
for DGO/S |
| 40 |
001 10081 20 |
º¼Æ® |
2 |
for DGO/S |
| 41 |
205 77010 10 |
È¥ Á¶¸³Ã¼ |
1 |
for DGO/S |
| 42 |
004 31041 20 |
º¼Æ® |
2 |
for DGO/S |
|
|
 |
| 2. Å©·©Å©Ãà, Ä·Ãà, ÇǽºÅæ |
 |
| ¼ø À§ |
ǰ ¹ø |
ǰ ¸í |
¼ö ·® |
ºñ °í |
| 1 |
205 20401 51 |
Å©·©Å© Ãà Á¶¸³Ã¼ |
1 |
INOL 2 |
| 2 |
205 22302 03 |
Å©·©Å© Ãà ±â¾î |
1 |
¡¡ |
| 3 |
023 02000 20 |
½ºÆä¼Å |
1 |
0.8x22x28mm |
| 3 |
023 02000 30 |
½ºÆä¼Å |
1 |
1.0x22x28mm |
| 3 |
023 02000 40 |
½ºÆä¼Å |
1 |
1.2x22x28mm |
| 4 |
005 32042 01 |
¹Ý´ÞŰ |
1 |
¡¡ |
| 5 |
003 20120 00 |
¿Í¼Å |
1 |
¡¡ |
| 6 |
017 01200 20 |
³ÊÆ® |
1 |
¡¡ |
| 7 |
205 23501 17 |
¸µ™VÆ®,Ç¥ÁØÇü |
1 |
¡¡ |
| 7 |
205 23502 17 |
¿À¹ö »çÀÌÁî0.25mm |
1 |
¡¡ |
| 7 |
205 23503 17 |
µµ¹ö »çÀÌÁî0.5mm |
1 |
¡¡ |
| 8 |
205 23401 13 |
ÇǽºÅæ, Ç¥ÁØÇü |
1 |
¡¡ |
| 8 |
205 23402 13 |
¿À¹ö »çÀÌÁî0.25mm |
1 |
¡¡ |
| 8 |
205 23403 13 |
¿À¹ö »çÀÌÁî0.5mm |
1 |
¡¡ |
| 9 |
205 23301 03 |
ÇǽºÅæ ÇÉ |
1 |
¡¡ |
| 10 |
056 514 10 |
Ŭ¸³ |
2 |
¡¡ |
| 11 |
205 22501 00 |
ÄÜ³ØÆÃ ·ÎµåÁ¶¸³Ã¼ |
1 |
incl:12-14 |
| 12 |
205 23010 03 |
¿ÀÀÏ ½ºÅ©·¹ÆÛ |
1 |
¡¡ |
| 13 |
205 23201 03 |
·Îµå ·ÏÅ©¿Í¼Å |
1 |
¡¡ |
| 14 |
205 23001 13 |
·Îµå º¼Æ® |
2 |
¡¡ |
| 15 |
023 00600 20 |
½ºÆÐ»þ |
1 |
¡¡ |
| 16 |
205 45002 01 |
Á¶¼Ó±â ±â¾îÁ¶¸³Ã¼ |
1 |
incl:17-18 |
| 17 |
¡¡ |
ÇöóÀÌ ¿þÀÌÆ® |
2 |
¡¡ |
| 18 |
¡¡ |
ÇöóÀÌ ¿þÀÌÆ®ÇÉ |
2 |
¡¡ |
| 19 |
205 41901 03 |
Á¶¼Ó±â ½½¸®ºê |
1 |
¡¡ |
| 20 |
205 32001 03 |
Ä·Ãà |
1 |
¡¡ |
| 21 |
205 33401 13 |
ÈíÀÔ ¹ëºê |
1 |
¡¡ |
| 22 |
205 33502 03 |
¹è±â ¹ëºê |
1 |
¡¡ |
| 23 |
205 33601 13 |
¹ëºê ½ºÇÁ¸µ |
2 |
¡¡ |
| 24 |
205 33701 03 |
¸®Å×ÀÌ³Ê |
2 |
¡¡ |
| 25 |
205 33801 03 |
¸®Å×ÀÌ³Ê ·ÏÅ© |
2 |
¡¡ |
| 26 |
205 33302 03 |
¹ëºê ŸÆêÆ® |
2 |
¡¡ |
| 27 |
023 02000 70 |
Ä®¶ó |
1 |
t=5.2mm |
|
|
 |
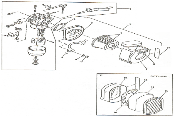
| 3. Á¶¼Ó±â |
 |
| ¼ø À§ |
ǰ ¹ø |
ǰ ¸í |
¼ö ·® |
ºñ °í |
| 1 |
205 42201 13 |
Á¶¼Ó±â Ãà |
1 |
¡¡ |
| 2 |
003 13050 00 |
¸®Å×³Ê ¸µ |
2 |
¡¡ |
| 3 |
205 42302 03 |
Á¶¼Ó±â ·¹¹ö |
1 |
¡¡ |
| 4 |
002 38060 00 |
Ç÷»Áö ³ÊÆ® |
1 |
¡¡ |
| 5 |
002 27060 00 |
³ÊÆ® |
1 |
¡¡ |
| 6 |
002 17060 00 |
³ÊÆ® |
1 |
¡¡ |
| 7 |
205 42503 03 |
Á¶¼Ó±â ½ºÇÁ¸µ |
1 |
¡¡ |
| 8 |
205 23401 13 |
ÇǽºÅæ, Ç¥ÁØÇü |
1 |
¡¡ |
| 8 |
205 42701 03 |
°Å¹ö³Ê ·Îµå |
1 |
¡¡ |
| 9 |
205 42801 23 |
·Îµå ½ºÇÁ¸µ |
1 |
¡¡ |
| 10 |
205 43304 21 |
Á¶¼Ó±â ·¹¹ö Á¶¸³Ã¼ |
1 |
incl:11-14,17-18 |
| 10 |
205 43304 22 |
Á¶¼Ó±â ·¹¹ö ¿Ï°á |
1 |
¡¡ |
| 11 |
205 46003 13 |
Á¶Á¾ ½ºÇÁ¸µ |
1 |
¡¡ |
| 12 |
001 65041 80 |
º¼Æ® |
1 |
¡¡ |
| 13 |
001 65062 00 |
º¼Æ® |
1 |
¡¡ |
| 14 |
002 27060 00 |
³ÊÆ® |
1 |
¡¡ |
| 15 |
205 43701 23 |
ÄÜÆ®·Ñ ·Îµå |
1 |
¡¡ |
| 16 |
205 46008 23 |
ÇǺ¿Æ® º¼Æ® |
1 |
¡¡ |
| 17 |
205 42901 13 |
ÄÜÆ®·Ñ ¸µÅ© |
1 |
¡¡ |
| 18 |
205 42301 12 |
¸µÅ© ÇǺ¿Æ® |
1 |
¡¡ |
|
|
 |
| 4. ºê·Î¿öÇÏ¿ì¡, ¸ÓÇ÷¯ |
 |
| ¼ø À§ |
ǰ ¹ø |
ǰ ¸í |
¼ö ·® |
ºñ °í |
| 1 |
205 51501 01 |
ÆÒ µ¤°Ô Á¶¸³Ã¼ |
1 |
incl:2-3 for DG |
| 1 |
205 51501 02 |
ÆÒ µ¤°Ô ¿Ï°á |
1 |
for DG |
| 2 |
073 60004 10 |
¶óº§ |
1 |
¡¡ |
| 3 |
074 00001 03 |
¶óº§ |
1 |
¡¡ |
| 4 |
011 00600 10 |
Ç÷»Áö º¼Æ® |
10 |
¡¡ |
| 5 |
205 52802 02 |
Çìµå Ä«¹ö |
1 |
¡¡ |
| 6 |
205 52701 03 |
½Ç¸°´õ µ¤°³ |
1 |
¡¡ |
| 7 |
066 20000 10 |
Á¤Áö ½ºÀ§Ä¡ |
1 |
"OPTION" |
| 8 |
015 00100 10 |
Å×ÇÎ ½ºÅ©·ù |
2 |
"OPTION" |
| 9 |
056 41200 20 |
Ŭ·¥ÇÁ |
1 |
¡¡ |
| 10 |
001 65061 20 |
º¼Æ® |
1 |
¡¡ |
| 11 |
205 34901 01 |
¼ÒÀ½±â Á¶¸³Ã¼ |
1 |
incl:13,17 |
| 12 |
002 19060 00 |
³ÊÆ® |
2 |
¡¡ |
| 13 |
205 34901 29 |
¼ÒÀ½±â µ¤°³2 |
1 |
¡¡ |
| 14 |
205 34907 02 |
¼ÒÀ½±â µ¤°³1 |
1 |
¡¡ |
| 15 |
073 60002 60 |
¶óº§ |
1 |
for OIL SENSOR |
| 16 |
015 00400 20 |
Å×ÇÎ ½ºÅ©·ù |
2 |
¡¡ |
| 17 |
001 00600 10 |
Ç÷»Áö º¼Æ® |
1 |
¡¡ |
| 18 |
066 00003 60 |
Á¤Áö ½ºÀ§Ä¡ |
1 |
¡¡ |
| 19 |
205 91817 03 |
¶óº§ |
1 |
for DG |
|
|
 |
| 5. ¿¬·áÅÊÅ© |
 |
| ¼ø À§ |
ǰ ¹ø |
ǰ ¸í |
¼ö ·® |
ºñ °í |
| 1 |
205 60402 21 |
¿¬·áÅÊÅ© Á¶¸³Ã¼ |
1 |
incl:2-7 |
| 1 |
205 60402 22 |
¿¬·áÅÊÅ© ¿Ï°á |
1 |
¡¡ |
| 2 |
073 60004 01 |
¶óº§ |
1 |
¡¡ |
| 3 |
064 13600 10 |
¿¬·á ÇÊÅÍ |
1 |
¡¡ |
| 4 |
043 04301 24 |
¿¬·á ÅÊũĸ |
1 |
¡¡ |
| 5 |
205 60701 02 |
¿¬·á °ÔÀÌÁö |
1 |
incl:6-7 |
| 6 |
021 30501 20 |
¶óÀÌ·Ð ¿Í¼Å |
2 |
¡¡ |
| 7 |
004 31051 50 |
º¼Æ® |
2 |
¡¡ |
| 8 |
064 20092 55 |
¿¬·á ½ºÆ®·¹³Ê Á¶¸³Ã¼ |
1 |
¡¡ |
| 9 |
084 00080 00 |
¿¬·á È£½º |
1 |
¡¡ |
| 10 |
056 10900 10 |
Ŭ·¥ÇÁ |
2 |
¡¡ |
| 11 |
205 61601 03 |
¿¬·áÅÊÅ© ºê¶óÄÏÆ® |
1 |
¡¡ |
| 12 |
002 37080 00 |
Ç÷»Áö ³ÊÆ® |
4 |
¡¡ |
| 13 |
003 20080 00 |
¿Í¼Å |
4 |
¡¡ |
| 14 |
002 17080 00 |
³ÊÆ® |
4 |
¡¡ |
| 15 |
064 20202 55 |
¿¬·á ½ºÆ®·¹³Ê Á¶¸³Ã¼ |
1 |
"OPTION" |
|
|
 |
| 6. Ä«ºê·¹Å¸, ¿¡¾îÅ©¸®³Ê |
 |
| ¼ø À§ |
ǰ ¹ø |
ǰ ¸í |
¼ö ·® |
ºñ °í |
| 1 |
205 62391 00 |
±âȱâ Á¶¸³Ã¼ |
1 |
¡¡ |
| 2 |
205 32710 01 |
°ø±âûû±â Á¶¸³Ã¼ |
1 |
"OPTION" |
| 3 |
074 00004 03 |
¶óº§ |
1 |
¡¡ |
| 4 |
205 32720 03 |
¿Í¼Å |
1 |
¡¡ |
| 5 |
205 32711 01 |
µà¾ó ¿¤·¹¸àÆ® |
1 |
¡¡ |
| 6 |
205 32713 11 |
º£À̽º CP |
1 |
incl:8 |
| 6 |
205 32713 12 |
º£À̽º |
1 |
¡¡ |
| 7 |
205 32710 02 |
Ä«¹ö |
1 |
¡¡ |
| 8 |
205 36013 03 |
°¡½ºÄÏ |
1 |
¡¡ |
| 9 |
003 20060 00 |
¿Í¼Å |
2 |
¡¡ |
| 10 |
002 27060 00 |
³ÊÆ® |
2 |
¡¡ |
| 11 |
205 35003 01 |
°ø±âûÁ¤±â Á¶¸³Ã¼ |
1 |
incl:12-15 S.T.D |
| 12 |
205 35003 02 |
º£À̽º |
1 |
¡¡ |
| 13 |
205 91911 03 |
¶óº§ |
1 |
¡¡ |
| 14 |
205 36004 13 |
¿¤·¹¸àÆ® |
1 |
¡¡ |
| 15 |
205 35102 12 |
Ä«¹ö |
1 |
¡¡ |
| 16 |
205 36003 13 |
¿¤·¹¸àÆ® ¸®Å×ÀÌ³Ê |
1 |
¡¡ |
| 17 |
073 20003 40 |
¶óº§ |
1 |
¡¡ |
|
|
 |
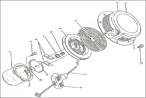
| 7. ÇöóÀÌÈÙ, ÄÚÀÏ, ¸¶±×³×Åä |
 |
| ¼ø À§ |
ǰ ¹ø |
ǰ ¸í |
¼ö ·® |
ºñ °í |
| 1 |
205 70127 08 |
ÀÚ¼®¹ßÀü±â Á¶¸³Ã¼ |
1 |
for DG |
| 2 |
214 70135 08 |
¿©ÀÚ ÄÚÀÏ |
1 |
¡¡ |
| 3 |
004 31062 50 |
³ª»ç º¼Æ® |
2 |
¡¡ |
| 4 |
214 70150 08 |
ÆÞ½º ÄÚÀÏ |
1 |
¡¡ |
| 5 |
004 35041 40 |
³ª»ç º¼Æ® |
2 |
¡¡ |
| 6 |
056 61000 30 |
Ŭ·¥ÇÁ |
2 |
¡¡ |
| 7 |
004 35040 80 |
º¼Æ® |
1 |
¡¡ |
| 8 |
205 70160 08 |
Á¡È ÄÚÀÏ |
1 |
¡¡ |
| 9 |
024 10070 20 |
±×·Î¸ÞÆ® |
1 |
¡¡ |
| 10 |
214 75001 03 |
±×·Î¸ÞÆ® |
1 |
¡¡ |
| 11 |
214 75001 03 |
±×·Î¸ÞÆ® |
1 |
¡¡ |
| 12 |
065 50000 70 |
Á¡ÈÇ÷¯±× ĸ |
1 |
for DG |
| 14 |
065 50001 00 |
Ç÷¯±× Å͹̳¯ |
1 |
¡¡ |
| 15 |
205 58300 02 |
ºê¶óÄÏÆ® |
1 |
¡¡ |
| 16 |
001 19051 00 |
º¼Æ® |
2 |
¡¡ |
| 18 |
009 98241 00 |
ÄÉÀ̺í ŸÀÌ |
1 |
¡¡ |
| 19 |
205 93201 01 |
¿ÍÀÌ¾î ¿Ï°á2 |
1 |
for OIL SENSOR |
|
|
 |
| 8. ¸®ÄÚÀÏ ½ºÅ¸ÅÍ |
 |
| ¼ø À§ |
ǰ ¹ø |
ǰ ¸í |
¼ö ·® |
ºñ °í |
| 1 |
205 50171 13 |
½Ãµ¿Ç®¸® |
1 |
¡¡ |
| 2 |
001 19061 40 |
º¼Æ® |
3 |
¡¡ |
| 3 |
205 50551 00 |
¸®ÄÚÀϽºÅ¸ÅÍ Á¶¸³Ã¼ |
2 |
for DG incl:3-14 |
| 4 |
073 50084 53 |
¶óº§ |
1 |
¡¡ |
| 5 |
106 50116 08 |
ÆÄ¿ö ½ºÇÁ¸µ |
1 |
for DG |
| 6 |
214 50160 02 |
¸± |
2 |
¡¡ |
| 7 |
206 50112 08 |
·ÎÇÁ |
1 |
¡¡ |
| 8 |
089 40600 10 |
¼ÕÀâÀÌ |
1 |
¡¡ |
| 9 |
214 50166 33 |
·¹Ä©Æ® |
2 |
¡¡ |
| 10 |
214 50173 03 |
¸¶Âû ½ºÇÁ¸µ |
1 |
¡¡ |
| 11 |
214 50175 03 |
¸®ÅÏ ½ºÇÁ¸µ |
1 |
for DG |
| 12 |
214 50178 03 |
¸¶ÂûÆÇ |
1 |
¡¡ |
| 13 |
214 50179 13 |
Æ®·¯½ºÆ® ¿Í¼Å |
1 |
¡¡ |
| 14 |
003 13070 00 |
Ŭ¸³ |
1 |
¡¡ |
| 15 |
011 00600 10 |
Ç®·»Áö º¼Æ® |
3 |
¡¡ |
|
|
 |
| 9. ÆßÇÁ |
 |
| ¼ø À§ |
ǰ ¹ø |
ǰ ¸í |
¼ö ·® |
ºñ °í |
| 1 |
415 10901 03 |
ÄÉÀÌ½Ì |
1 |
¡¡ |
| 2 |
006 26304 90 |
¿À-¸µ(ÀÓÆç·¯ÄÉÀ̽Ì) |
1 |
¡¡ |
| 3 |
415 10801 03 |
ÀÓÆç·¯ ÄÉÀÌ½Ì |
1 |
¡¡ |
| 4 |
415 15101 03 |
ÀÓÆä¶ó |
1 |
¡¡ |
| 5 |
412 15101 03 |
½ºÆó¼Å |
2 |
¡¡ |
| 6 |
412 12001 02 |
¸ÞÄ¿´ÏÄà ½ÃÀϿϰá |
1 |
¡¡ |
| 7 |
416 11401 13 |
ÄÉÀÌ½Ì Ä«¹Ù |
1 |
¡¡ |
| 8 |
001 10065 50 |
º¼Æ® |
3 |
M6x1.OPx55L |
| 10 |
003 08160 80 |
µ¿¿Í¼Å |
4 |
¡¡ |
| 11 |
011 90800 40 |
·»Ä¡ º¼Æ® |
4 |
M8x1.25Px28L |
| 12 |
416 16101 03 |
¿À-¸µ(ÄÉÀ̽ÌÄ«¹Ù) |
1 |
¡¡ |
| 13 |
001 08103 50 |
º¼Æ® |
4 |
M10x1.25Px35L |
| 14 |
415 56101 03 |
ÆÐÅ·(ÅäÃâ ÈÄ·»Áö) |
1 |
¡¡ |
| 15 |
415 50101 03 |
ÅäÃâ ÈÄ·»Áö |
1 |
¡¡ |
| 16 |
415 56102 03 |
ÆÐÅ·(ÈÄ·»Áö ³ÊÆ®) |
2 |
¡¡ |
| 17 |
415 50901 03 |
´ÖÇÃ |
2 |
¡¡ |
| 18 |
415 50401 03 |
ÈÄ·»Áö ³ÊÆ® |
2 |
¡¡ |
| 19 |
415 40601 03 |
ÈíÀÔ ¹ëºê |
1 |
¡¡ |
| 20 |
415 40101 03 |
ÈíÀÔ Ä«¹Ù |
1 |
¡¡ |
| 21 |
006 26303 50 |
¿À-¸µ(µå·¹ÀÎÇ÷¯±×) |
2 |
¡¡ |
| 22 |
410 19020 10 |
µå·¹ÀÎ Ç÷¯±× |
2 |
¡¡ |
| 23 |
415 90101 13 |
¸íÆÇ(ÆßÇÁÁ¦¿ø) |
1 |
¡¡ |
| 24 |
001 08082 50 |
º¼Æ® |
8 |
M10x1.25Px30L |
|
|
 |
| 10. ÈÄ·¹ÀÓ |
 |
| ¼ø À§ |
ǰ ¹ø |
ǰ ¸í |
¼ö ·® |
ºñ °í |
| 1 |
415 10201 22 |
ÈÄ·¹ÀÓ |
1 |
¡¡ |
| 2 |
001 65084 00 |
º¼Æ® |
4 |
¡¡ |
| 3 |
003 11080 00 |
¿Í¼Å |
8 |
¡¡ |
| 4 |
003 20080 00 |
½ºÇÁ¸µ¿Í¼Å |
4 |
¡¡ |
| 5 |
002 17080 00 |
³ÊÆ® |
4 |
¡¡ |
|
|
 |
| 11. ºÎ¼Óǰ |
 |
| ¼ø À§ |
ǰ ¹ø |
ǰ ¸í |
¼ö ·® |
ºñ °í |
| 1 |
071 32100 10 |
Ç÷¯±×·»Ä¡(ÇÚµéÆ÷ÇÔ) |
1 |
21x80L |
| 2 |
415 11000 00 |
»ç¿ë¼³¸í¼ |
1 |
¡¡ |
| 3 |
415 80102 01 |
¿©°ú¸Á |
1 |
¡¡ |
|
|
 |